Published:2009/6/19 3:59:00 Author:May | From:SeekIC

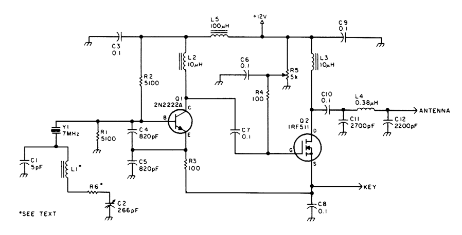
This CW transmitter has an output of up to 3 W. By using 24 V on Q2, up to 10 W output can be obtained. If a 24-V supply is used, Q1 must not see more than 12 V. Connect 12Vbetween junctions C3, R2 and L2, and remove L5. L1 should be a low-Q 18- to 20-μH inductor. R6 can be used (up to 47 Ω) to reduce the Q further.
Reprinted Url Of This Article:
http://www.seekic.com/circuit_diagram/Communication_Circuit/LOW_POWER_40_METER_CW_TRANSMITTER_.html
Print this Page | Comments | Reading(3)
Code: