Published:2009/7/14 20:47:00 Author:May | From:SeekIC

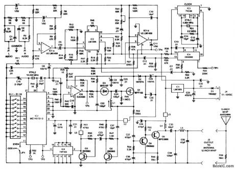
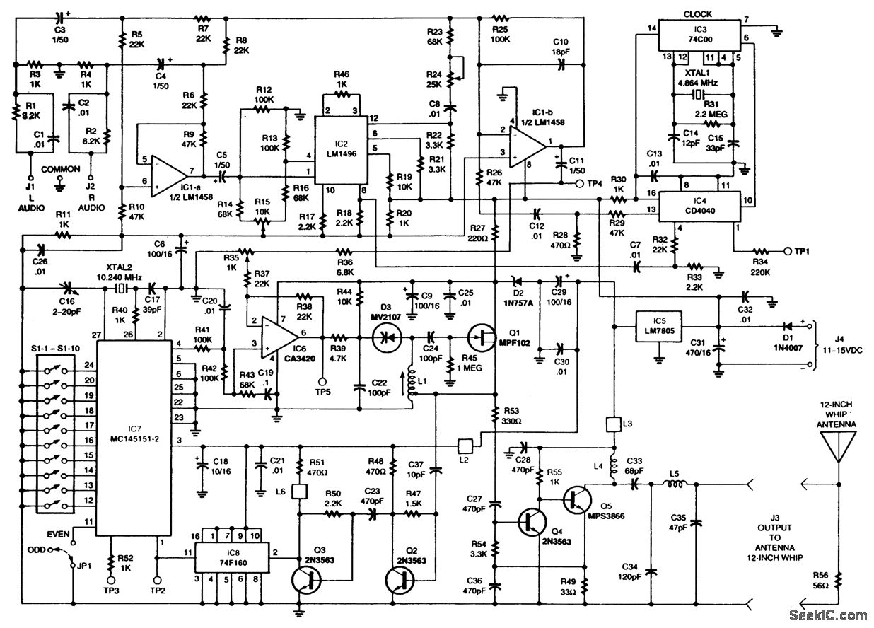
The schematic shows a high-performance FM stereo transmitter, consisting of a stereo generator IC1 (audio matrixing), a balanced modulator IC2, a pilot and subcarrier generator IC3 and IC4, and a PLL synthesizer IC6, IC7, and IC8. Frequencies from 76 to 108 MHz are supported, with 100-kHz resolution. All oscillators are crystal-controlled for stability. The output is 0.5 to 0.7 V into 50 Ω.In the United States, in order to comply with FCC regulations, the transmitter is terminated in a 56Ω resistor, which is nonradiating , and a small whip antenna (up to 12 inches long) is used as a radiating probe. The radiated field must be kept to 250 μV/m at 3 m from the antenna. In open locations, a 4-inch whip should give sufficient range (100 feet typical); for use inside buildings, where some losses are encountered, a 12-inch antenna might be needed. Do not use more than a 12-inch whip. In other nations, where regulations allow, a matched antenna can be used and the output amplifier can be run at 15 V or more, with over 200 mW output possible. Up to 24 V can be used if higher-voltage bypass capacitors are used on the supply line and R27 is changed to 680Ω. IC5 might need heatsinking in this case.
A complete kit of parts, including PC board, is available from North Country Radio, P.O. Box 53, Wykagyl Station, New Rochelle, NY 10804-0053A.
Reprinted Url Of This Article:
http://www.seekic.com/circuit_diagram/Communication_Circuit/LOW_POWER_PLL_STABILIZED_FM_STEREO_TRANSMITTER.html
Print this Page | Comments | Reading(3)
Code: