Published:2011/7/18 6:50:00 Author:Christina | Keyword: general, addressable, asynchronous, launch, receiving circuit | From:SeekIC





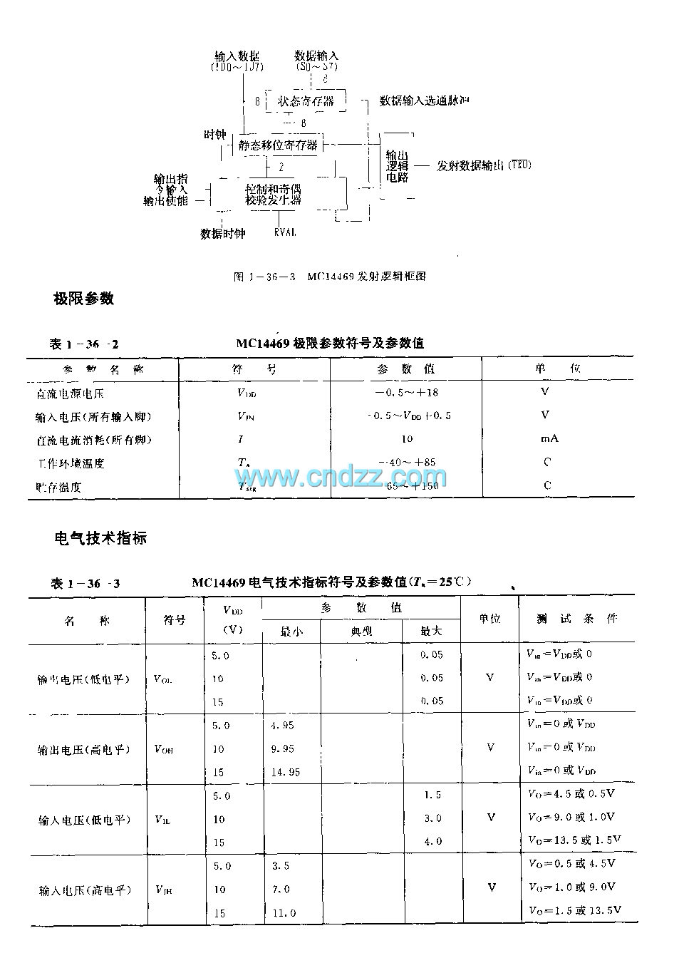
The MC14469 is designed as one kind of general addressable asynchronous launch or receiving circuit that can be used in the remote control analog to digital conversion, the remote control microprocessor and control the digital converter which is connected with the host or the microprocessor. When it is used as the receiving circuit, the internal circuit is composed of the address control and data comparison circuit, the instruction register, the static shift register and the timing, control and parity checking circuit; when it is used as the transmitter circuit, the internal circuit is composed of the status register, the static shift register, the output logic circuit and the control and parity generator.
Reprinted Url Of This Article:
http://www.seekic.com/circuit_diagram/Communication_Circuit/MC14469_general_addressable_asynchronous_launch_or_receiving_circuit.html
Print this Page | Comments | Reading(3)
Code: