Published:2009/7/1 2:24:00 Author:May | From:SeekIC

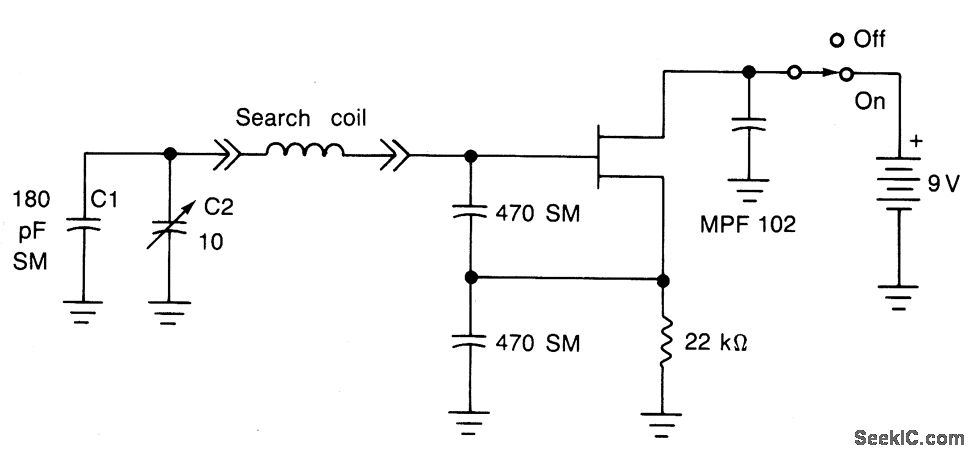
The search coil, C1 and C2 form a tuned circuit for the oscillator which is tuned near the center of the broadcast band. Tune a portable radio to a station near the middle of the band, then tune C2 until a squeal is heard as the two signals mix to produce a beat (heterodyne) note. Metal near the search coil will detune the circuit slightly, changing the pitch of the squeal. The search coil is 20 turns of number 30 enameled wire, wound on a 6 x 8 wood or plastic form. It is affixed at the end of a 30 to 40 wooden or plastic pole, and connected to the remainder of the metal detector circuit through a coaxial cable.
Reprinted Url Of This Article:
http://www.seekic.com/circuit_diagram/Communication_Circuit/METAL_LOCATOR.html
Print this Page | Comments | Reading(3)
Code: