Published:2009/7/15 22:05:00 Author:Jessie | From:SeekIC

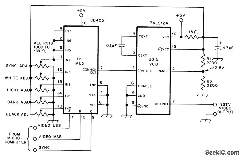
Digital-to-analog-to -frequency converter for slowscan television permits direct generation of simple graphic and alphameric characters by microprocessor, without use of camera, U1 is CD4051 CMOS analog multiplexor, and U2A is one section of 74LS124 TTL dual voltage-controlled oscillator. Picture format uses 64 different lines, repeated once to give total of 128 lines, with maximum of 64 different picture elements per horizontal line each having one of four shades of gray. Separate pot is provided for setting each of five different levels so VCO oscillates at proper frequencies: sync-1200 Hz; black-1500 Hz; dark-1767 Hz; light-2033 Hz; white-2300 Hz. Article covers operation in detail and gives flow diagrams for microprocessor subroutines required.-B. Sanderson, SSTV Pictures from Your Microcomputer, QST, Oct. 1978, p 25-29.
Reprinted Url Of This Article:
http://www.seekic.com/circuit_diagram/Communication_Circuit/MICROPROCESSOR_SSTV_INTERFACE.html
Print this Page | Comments | Reading(3)
Code: