Published:2009/7/15 22:03:00 Author:Jessie | From:SeekIC

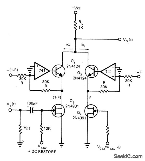
Balanced direct-coupled FET modulator/multiplier was developed for closed-circuit industrial color television system. Opamps handle modulation frequencies up to 1 MHz while providing linear response down to near zero modulation,-G. R. Shapiro, Analog Multipliers Offer Solutions to Video Modulation Problems, EDN Magazine, Sept. 1 1972, p 40-41.
Reprinted Url Of This Article:
http://www.seekic.com/circuit_diagram/Communication_Circuit/MODU_LATOR_MULTIPLIER.html
Print this Page | Comments | Reading(3)
Code: