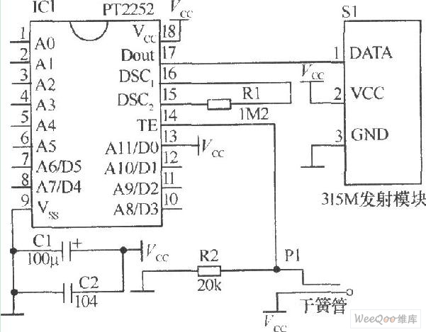
Published:2011/6/18 21:26:00 Author:Nancy | Keyword: Magnetic induction, transmitter | From:SeekIC

Reprinted Url Of This Article:
http://www.seekic.com/circuit_diagram/Communication_Circuit/Magnetic_induction_transmitter_circuit.html
Print this Page | Comments | Reading(3)
Code: