Published:2009/6/24 4:18:00 Author:May | From:SeekIC



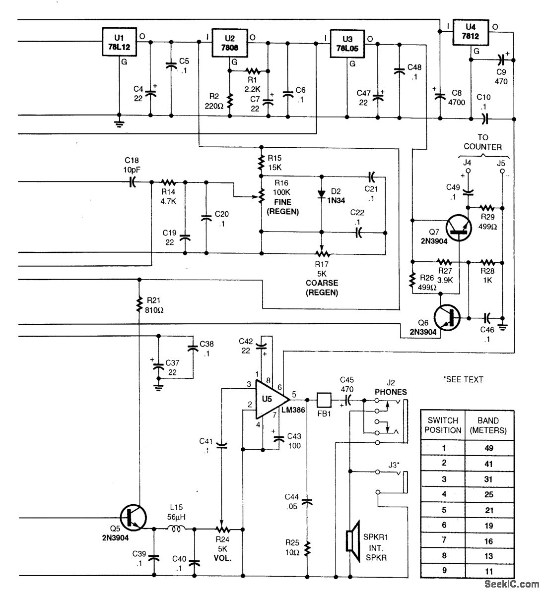
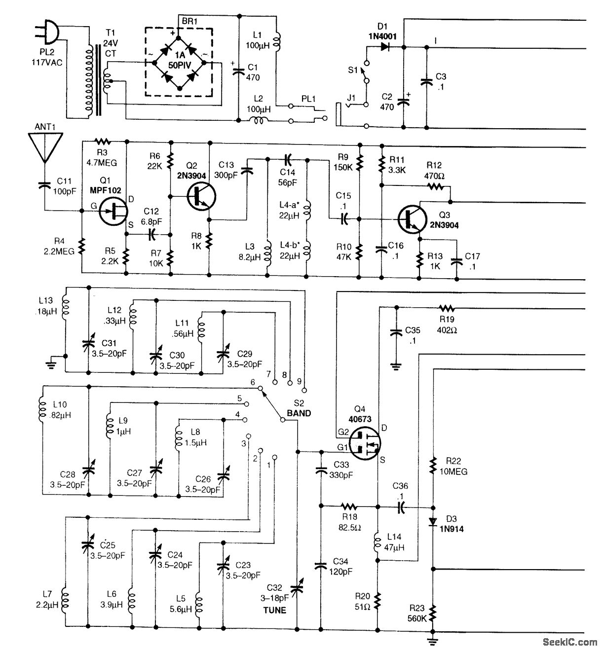
Dual-gate MOSFET Q4 is used as a regenerative amplifier in this circuit.An active antenna feeds the signal to Q4,and a short whip antenna is adequate.Derector Q5 feeds volume control R24,and audio amplifier U5,an LM386.The frequency is 49 to 11 meters in nine bands (6 to 27 MHz).
Reprinted Url Of This Article:
http://www.seekic.com/circuit_diagram/Communication_Circuit/NINE_BAND_SHORTWAVE_RECEIVER.html
Print this Page | Comments | Reading(3)
Code: