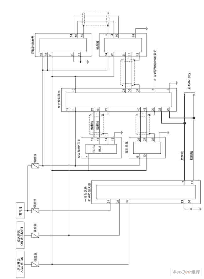
Published:2011/6/18 21:20:00 Author:Nancy | Keyword: NISSAN, Teana navigation system | From:SeekIC

Reprinted Url Of This Article:
http://www.seekic.com/circuit_diagram/Communication_Circuit/NISSAN_new_Teana_navigation_system_circuit_10.html
Print this Page | Comments | Reading(3)
Code: