Published:2009/7/14 4:18:00 Author:May | From:SeekIC

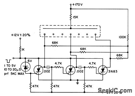
Uses silicon controlled switches.- Transistor Manual, General Electric Co. 1964, p430.
Reprinted Url Of This Article:
http://www.seekic.com/circuit_diagram/Communication_Circuit/NIXIE_TUBE_RING_COUNTER.html
Print this Page | Comments | Reading(3)
Code: