Published:2011/7/21 3:06:00 Author:Ecco | Keyword: Optical communication receive | From:SeekIC

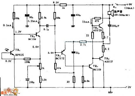
When the phototube is exposured by the light that emits from light-emitting diode modulated by proper infrared transmitter(the transmitter is far away from 137.2 m). The circuit can give the maximum output of 500 mW to 15 Ω speakers. The system is applicable to installing electronic wire wireways in inconvenient situation and useing under the sistuation of wavelength in about 0.9 μ m.
Reprinted Url Of This Article:
http://www.seekic.com/circuit_diagram/Communication_Circuit/Optical_communication_receive_circuit_diagram.html
Print this Page | Comments | Reading(3)
Code: