Published:2011/7/5 10:19:00 Author:Felicity | Keyword: Temperature Controller (the 2nd) | From:SeekIC

Work of the circuit
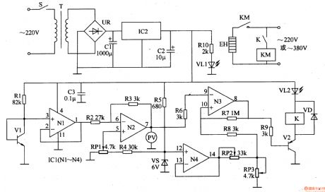
The circuit consists of power supply circuit, temperature detection circuit, reference voltage circuit, the temperature indicating circuit, voltage comparator amplifier and control implementation circuit. (It is showed in picture 8-106.)
Power supply circuit consists of power switch S, the power transformer T, bridge rectifier, UR, filter capacitors Cl, C2, three-terminal voltage regulator integrated circuit IC2, current limiting resistor RlO and power indicator LED VLl.
Temperature detection circuit consists of transistor temperature sensor Vl, resistors Rl, capacitor C3 and Nl within operational amplifier integrated circuit ICl (Nl-N4).
Reference voltage circuit consists of resistors R4, R5, R8, potentiometer RPl-RP3, voltage regulator diode VS and N4 within ICl.
The temperature indicating circuit consists of resistor R2, R3 and N2 wirhin IC1 and voltmeter PV.
Voltage comparator amplifier consists of N3 within IC1 and resistor R6 and R7.
Control implementation circuit consists of resistor R9, transistor V2, the relay K, AC contactor KM, diode light-emitting diode VD and work instructions VL2.
Reprinted Url Of This Article:
http://www.seekic.com/circuit_diagram/Communication_Circuit/Other_circuit/Temperature_Controller_the_2nd.html
Print this Page | Comments | Reading(3)
Code: