Published:2011/7/5 10:21:00 Author:Felicity | Keyword: Temperature Controller (the 3rd) | From:SeekIC

Work of the circuit
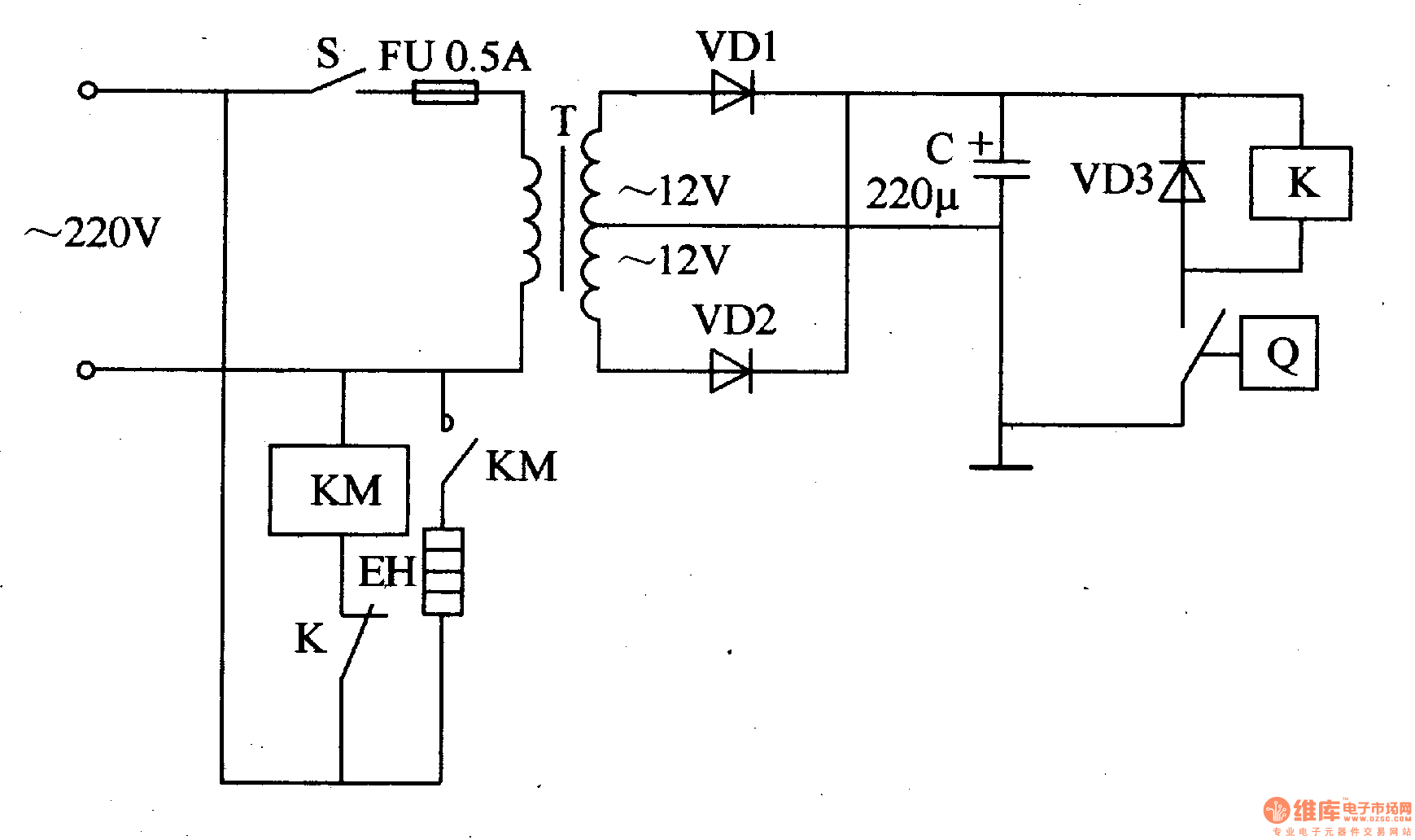
The circuit consists of power supply circuit and temperature detection circuit. (It is showed in picture 8-107.)
Power circuit consists of power switch S, fuse FU, power transformer T, a rectifier diode VDl, VD2 and filter capacitor C.
Temperature detection control circuit consists of electric contact thermometers Q, relay K, AC contactor KM, diodes VD3 and electric heater EH.
Reprinted Url Of This Article:
http://www.seekic.com/circuit_diagram/Communication_Circuit/Other_circuit/Temperature_Controller_the_3rd.html
Print this Page | Comments | Reading(3)
Code: