Published:2009/7/6 2:18:00 Author:May | From:SeekIC

Circuit Notes
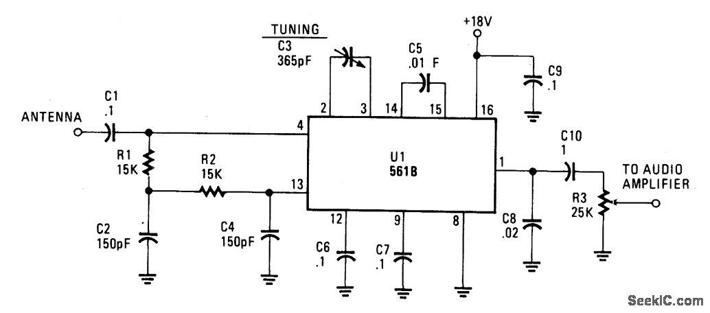
This simple AM circuit uses a 561B. There's no inductance/capacitance tuning circuit.The 365 pF capacitor connected between pins 2 and 3 does a11 the tuning. The circuit needs a good outside antenna and a solid ground. And if you want to further improve operation, stick a broadband amplifier in front of the receiver. Just make sure the input voltage does not climb over 0.5 volt rms.
Reprinted Url Of This Article:
http://www.seekic.com/circuit_diagram/Communication_Circuit/PLL_BC_RECEIVER.html
Print this Page | Comments | Reading(3)
Code: