Published:2009/7/8 22:54:00 Author:May | From:SeekIC

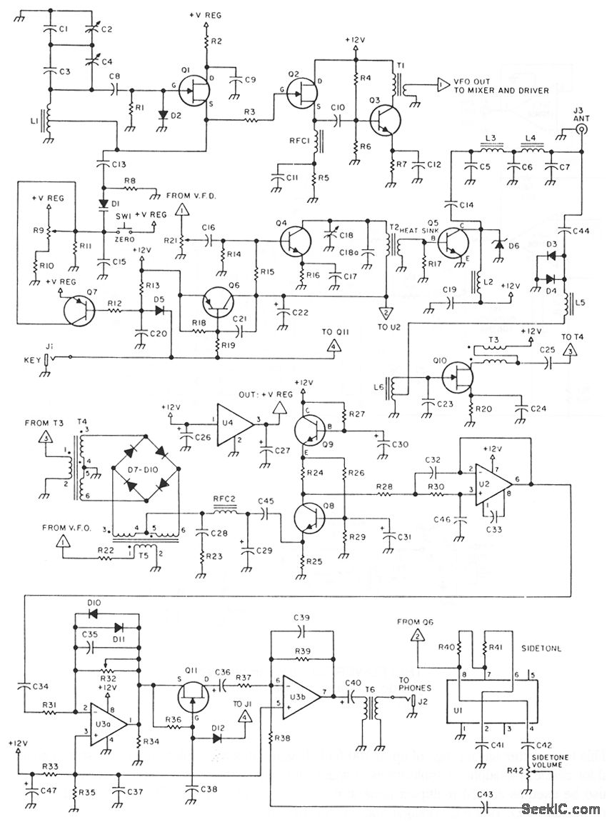
This is a 3-W, single-circuit board, VFO-controlled CW transceiver for 40 or 30 me'ers, featuring a direct-conversion receiver with audio filtering, Receiver Incremental Tuning (RIT). and speaker level audio volume. The transmit frequency is generated by Q1 and its associated component in the VFO The buffer, Q2, isolates the oscillator from the other circuitry to help the VFO stable.Q3 builds up the signal to a more usable level. The driver, Q4, amplifies the signal. The final, Q5, amplifies it to the 3-W level.Key the transmitter by turning the power to the driver on and off using Q6 as a switching transistors Selec.the frequency by varying the,tuning capadtor, C2. The VFO frequency feeds into the diode-ring mixer, and is mixed with the incoming 7-or 10-MH, signal. The difference or produce,is the audio frequency. The post-mixer circuitry amplifies the audio sianal to speaker leve Q8 preamplifies the signal a little, U2 is an audio filter that attenuates the audio signals above about 700 Hz, and U3 amplifies the signal from the audio filter to listening level.
Reprinted Url Of This Article:
http://www.seekic.com/circuit_diagram/Communication_Circuit/QRP_CW_TRANSCEIVER.html
Print this Page | Comments | Reading(3)
Code: