Published:2009/7/15 2:14:00 Author:Jessie | From:SeekIC

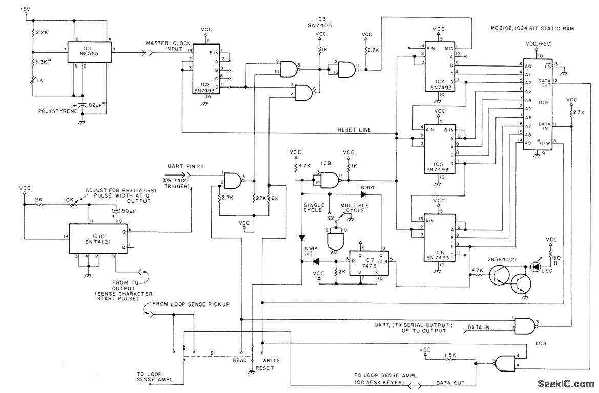
Erasable MC2102 1024-bit RAM stores two Teletype lines (128 characters) of Baudot code for readout at machine speed Can also serve in place of tape loop for frequently used code messages such as CQ calls. Values shown with IC1 timer are for 728-Hz master clock (16× 45.45 bauds). Stored message is volatile, disappearing when power is turned off. For permanent storage, use ROM in place of RAM.-H. P. Fischer, RTTY Scratchpad Memory, 73 Magazine, June 1977, p 54-55.
Reprinted Url Of This Article:
http://www.seekic.com/circuit_diagram/Communication_Circuit/RAM_FOR_RTTY.html
Print this Page | Comments | Reading(3)
Code: