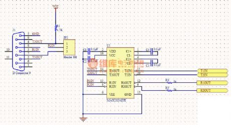
Published:2011/8/13 1:02:00 Author:qqtang | Keyword: serial port, communication circuit | From:SeekIC

Reprinted Url Of This Article:
http://www.seekic.com/circuit_diagram/Communication_Circuit/RS232_serial_port_communication_circuit.html
Print this Page | Comments | Reading(3)
Code: