Published:2009/7/12 21:48:00 Author:May | From:SeekIC

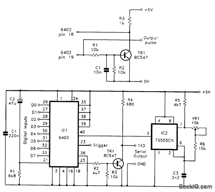
This circuit provides basic parallel-to-serial conversion, with the control inputs connected to provide a word format of 1 start bit, 8 data bits, 1 stop bit, and no parity. VR1 should provide operation at 1200 baud. Adjusting VR1 is just a matter of using trial and error to locate a setting that enables the computer to reliably decode the serial data. If a frequency meter is available, adjust VR1 for an output frequency of 19.2 kHz at pin 3 of IC2.
Reprinted Url Of This Article:
http://www.seekic.com/circuit_diagram/Communication_Circuit/SERIAL_TRANSMITTER_CIRCUIT.html
Print this Page | Comments | Reading(3)
Code: