Published:2009/6/17 22:02:00 Author:May | From:SeekIC

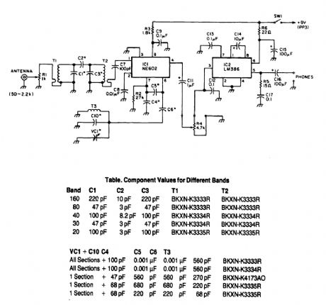
Note that T1 and T2 are TOKO, including part numbers for the coils T1 and T2. The direct-con-version receiver shown uses a double-tuned input network made from readily available TOKO coils. IC1, an NE602, acts as a VFO and mixer, with the output being an IF frequency in the audio range. IC2 is an audio amplifier, R4 is a volume control.
Reprinted Url Of This Article:
http://www.seekic.com/circuit_diagram/Communication_Circuit/SIMPLE_DIRECT_CONVERSION_RECEIVER_FOR_160_TO_20_M.html
Print this Page | Comments | Reading(3)
Code: