Published:2009/7/14 21:58:00 Author:Jessie | From:SeekIC

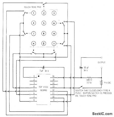
Uses ME8900 tone generator made by Microsystems International, Ottawa, Canada, to generate pairs of audio frequencies for telephone signaling. Standard Touch-Tone pad provides column and row switch closures for pins 4, 5, 6, and 8 going to low-frequency parallel-T oscillators of IC and for pins 9, 10, 11, and 12 of high-frequency oscillator-C. D. Rakes, Integrated Circuit Projects, Howard W. Sams, Indianapolis, IN, 1975, p 100-101.
Reprinted Url Of This Article:
http://www.seekic.com/circuit_diagram/Communication_Circuit/SINGLE_IC_TOUCH_TONE_ENCODER.html
Print this Page | Comments | Reading(3)
Code: