Published:2009/6/18 22:37:00 Author:May | From:SeekIC

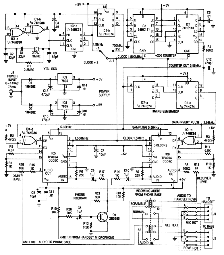
Using digital techniques, this circuit accomplishes the frequency-inversion algorithm via digiti-zation of the audio, inversion of the sign of every alternate sample, and D/A conversion of the resul-tant data. The result is an inverted frequency spectrum. Because the circuit has two channels, this system can be used in a full duplex two-way telephone scrambler.A complete kit ofparts is available from North Country Radio, PO. Box 53, Wykagyl Station, New Rochelle, NY 10804-0053A.
Reprinted Url Of This Article:
http://www.seekic.com/circuit_diagram/Communication_Circuit/SPEECH_SCRAMBLER.html
Print this Page | Comments | Reading(3)
Code: