Published:2009/7/15 3:24:00 Author:Jessie | From:SeekIC

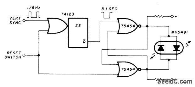
Retriggerable mono MVBR using SN74123 is triggered by 0.125-Hz vertical sync pulse of amateur television system. Absence of pulse allows mono to time out and change state of LED from green to red. Vertical reset switch must then be used to p restart vertical sweep and reset LED. Uses Monsanto MV5491 dual red/green LED, with 220 ohms in upper lead to +5 V supply and 100 ohms in lower +5 V lead because red and green LEDs in parallel back-to-back have different voltage requirements. Drivers for LEDs are SN75454.-K. Powell, Novel Indicator Circuit, Ham Radio, April 1977, p 60-63.
Reprinted Url Of This Article:
http://www.seekic.com/circuit_diagram/Communication_Circuit/SSTV_VERTICAL_SYNC_INDICATOR.html
Print this Page | Comments | Reading(3)
Code: