Published:2013/5/2 22:22:00 Author:muriel | Keyword: Simple 75M , SSB rig , PTT | From:SeekIC

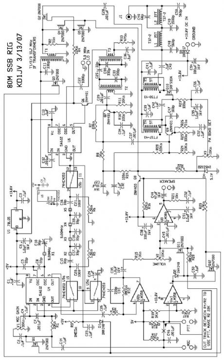
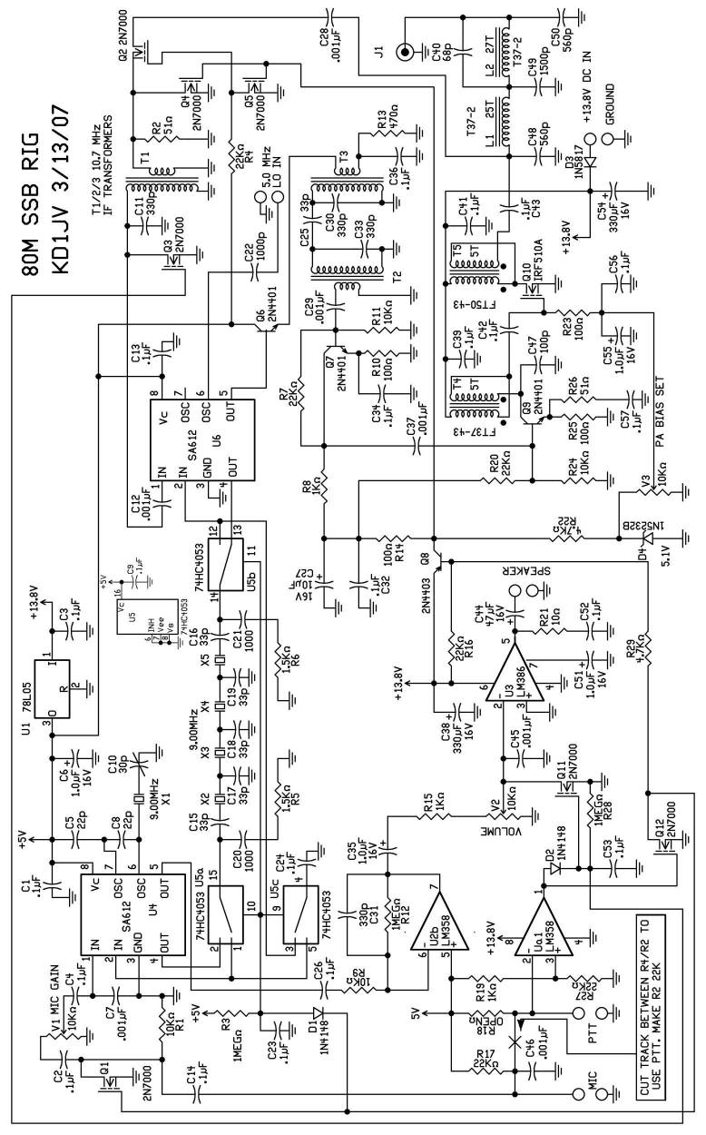
The output of the Tx mixer is buffered by a 2N4401 emitter follower to drive the low impedance input side of a 10.7 MHz IF transformer. The transformer is returned to 75 meters by an additional, external 330 p cap. A second IF transformer is used to make a double tuned band pass filter, although for 75 meters.
Reprinted Url Of This Article:
http://www.seekic.com/circuit_diagram/Communication_Circuit/Simple_75M_SSB_rig_with_PTT.html
Print this Page | Comments | Reading(3)
Code: