Published:2011/8/2 4:09:00 Author:TaoXi | Keyword: electronic toy, wireless, remote control, launch circuit | From:SeekIC


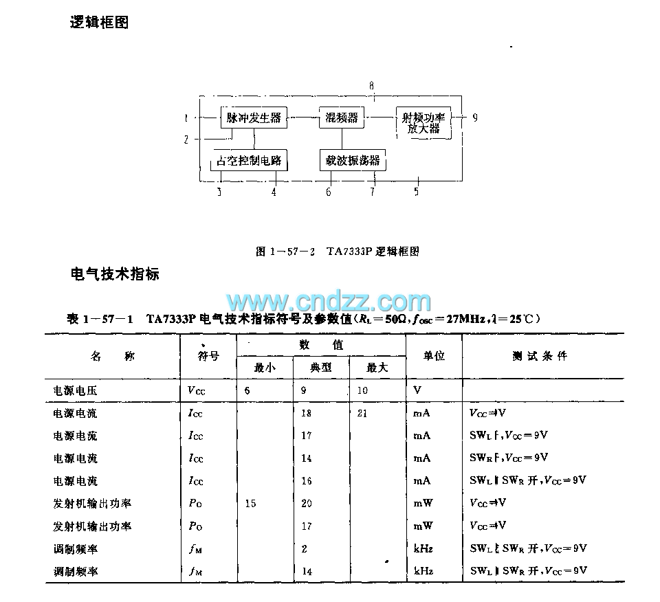
The TA7333P is designed as the wireless remote control launch circuit that can be used in the electronic toy application. The internal circuit is composed of the pulse generator, the mixer, RF power amplifier, duty ratio control circuit and the carrier frequency oscillator.
Features
It has little external components.The operating voltage range is wide (Vcc=6-10V).It is in the single-row 9-pin plastic package.The matching model is TA7657P.
Function description:
The switches SWL and SWR form the four kinds of control states.The capacitors C1 and R1 control the modulation frequency.
Reprinted Url Of This Article:
http://www.seekic.com/circuit_diagram/Communication_Circuit/TA7333F_electronic_toy_wireless_remote_control_launch_circuit.html
Print this Page | Comments | Reading(3)
Code: