Published:2009/7/8 5:08:00 Author:May | From:SeekIC

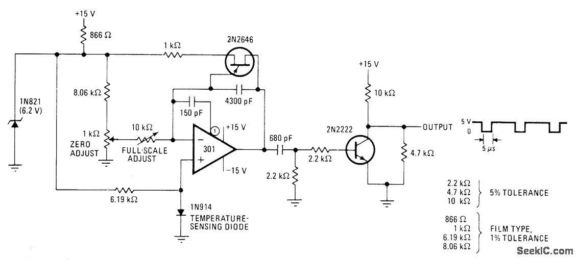
Frequency of relaxation oscillator varies linearly with temperature-dependent voltage across 1N914 diode sensor, with range of 0-1000 Hz for 0-100°C. Frequency meter at output shows temperature directly with accuracy of±0.3°C. Opamp is used as integrator, With 1N821 temperature-compensated diode providing voltage reference that determines firingpoint of UJT Circuit functions as voltage-to-frequency converter, Calibrate at 100°C and 0°C,repeating until adjustments cease to interact,Output frequency is then to times Celsius temperature.-J. Williams and T. Durgavich, Direct-Reading Converter Yields Temperature, Ele-tronics, April3, 1975, p 101 and 103; reprinted in Circuits for Electronics Engineers, Elec-tronics, 1977, p 366.
Reprinted Url Of This Article:
http://www.seekic.com/circuit_diagram/Communication_Circuit/TEMPERATURE_TO_FR_EOUENCY_CONVERT_ER.html
Print this Page | Comments | Reading(3)
Code: