Published:2009/7/14 1:37:00 Author:May | From:SeekIC

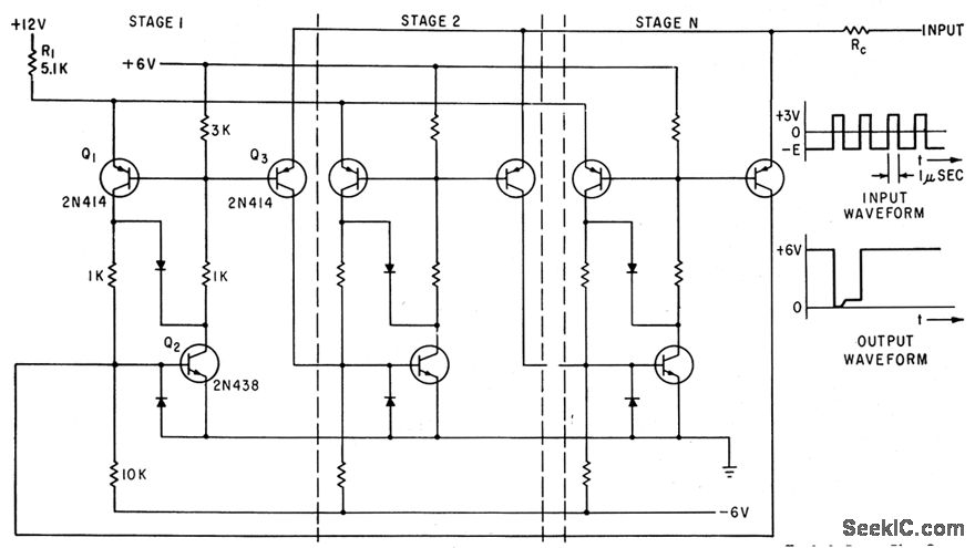
Each bistable circuit has two opposite-symmetry germanium transistors, two diodes, and four resistors. Additional transistor Q transfers conducting stage to next position when actuated by transfer pulse. Absence of capacitors gives high-speed operation. No bias current is required from ON stage to keep other stages cut off.-J. A. Pecar, Ring Counter Uses Transistors, Electronics, 34:4, p 49-51.
Reprinted Url Of This Article:
http://www.seekic.com/circuit_diagram/Communication_Circuit/TRANSISTORIZED_THYRATRON_RING_COUNTER.html
Print this Page | Comments | Reading(3)
Code: