Published:2009/7/2 5:03:00 Author:May | From:SeekIC

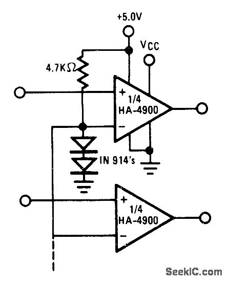
Two sections of Harris HA-4900/4905 precision quad comparator provide intelface between TTL drive and CMOS output circuits. Supply is±15 V.- Linear & Data Acquisition Products, Hatris Semicon-ductor, Melboume, FL, Vol. 1, 1977, p 2-95.
Reprinted Url Of This Article:
http://www.seekic.com/circuit_diagram/Communication_Circuit/TTL_TO_CMOS_TRANSLATOR.html
Print this Page | Comments | Reading(3)
Code: