Published:2009/7/15 22:12:00 Author:Jessie | From:SeekIC

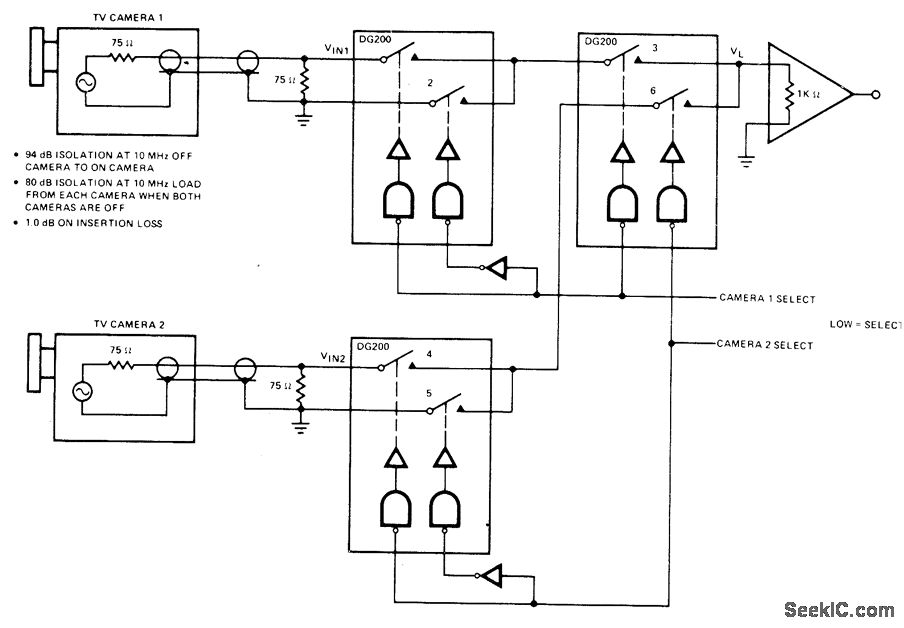
DG200 CMOS switches with built-in drivers provide 94-dB isolation at 10 MHz between on and off cameras. Desired camera is turned on by applying low logic level to select line for that camera.- Analog Switches and Their Applications, Siliconix, Santa Clara, CA, 1976, p 7-26.
Reprinted Url Of This Article:
http://www.seekic.com/circuit_diagram/Communication_Circuit/TWO_CAMERA_VIDEO_SWITCH.html
Print this Page | Comments | Reading(3)
Code: