Published:2009/7/11 3:47:00 Author:May | From:SeekIC

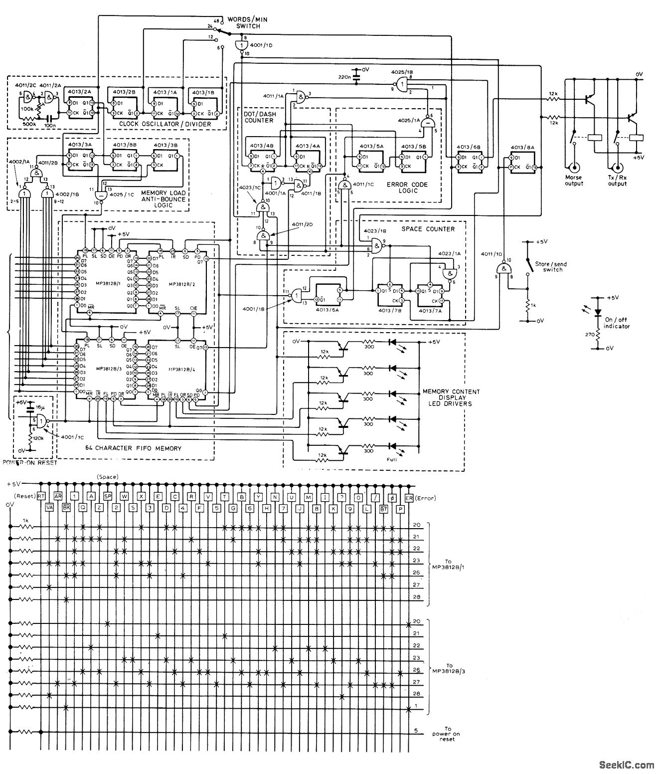
Allows operator to send perfect Morse code simply by typing messages on alphameric keyboard. Accuracy is determined only by typing skill of operator. One RC oscillator controls mark-space ratio of Morse characters and duration of character and word spaces, while clock oscillator is divided down and switched to give sendingspeed choices of 6, 12, 24, and 48 words per minute. Each square on keyboard diagram is SPST switch, and each cross at intersection issilicon switching diode such as 1N914. 0utputs of keyboard switches are converted into 15-bit code for feeding into 64-character first-in first-out memory using four MP3812B ICs for storage and for generating corresponding Morse characters. Article gives construction and adjustment details.-C. I. B. Trusson, Morse Keyboard and Memory, Wireless World, Jan. 1977, p 55-59.
Reprinted Url Of This Article:
http://www.seekic.com/circuit_diagram/Communication_Circuit/TYPEWRITER_KEYS_CW_TRANSMITTTER.html
Print this Page | Comments | Reading(3)
Code: