Published:2011/6/7 21:09:00 Author:qqtang | Keyword: digit display, patient alarm device | From:SeekIC

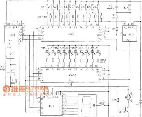
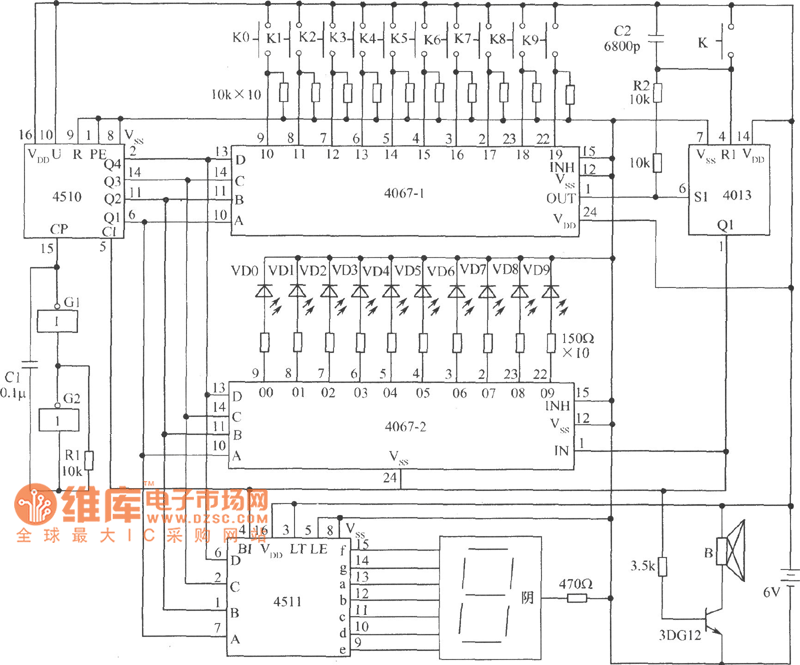
The circuit is shown in the figure, which can fulfill the dual-way signal delivering between sickrooms and duty rooms. The key switches K0~K9 and LED D0~D9 are installed in the sickroom, and the digital pipe and buzzer are fixed in the duty room. The buzzer will be still if there is no call from the sickroom, and the digital pipe is OFF. When patients press the switch K2, the buzzer in the duty room is buzzing and the pipe is indicating 2 ; at the same time, the LED in the sickroom is glowing, which shows that the patient signal has been delivered to the duty room.
Reprinted Url Of This Article:
http://www.seekic.com/circuit_diagram/Communication_Circuit/The_digit_display_patient_alarm_device_circuit.html
Print this Page | Comments | Reading(3)
Code: