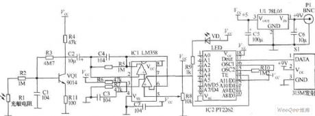
Published:2011/6/18 21:27:00 Author:Nancy | Keyword: photo resistor, transmitter | From:SeekIC

Reprinted Url Of This Article:
http://www.seekic.com/circuit_diagram/Communication_Circuit/transmitter_circuit_with_photo_resistor.html
Print this Page | Comments | Reading(3)
Code: