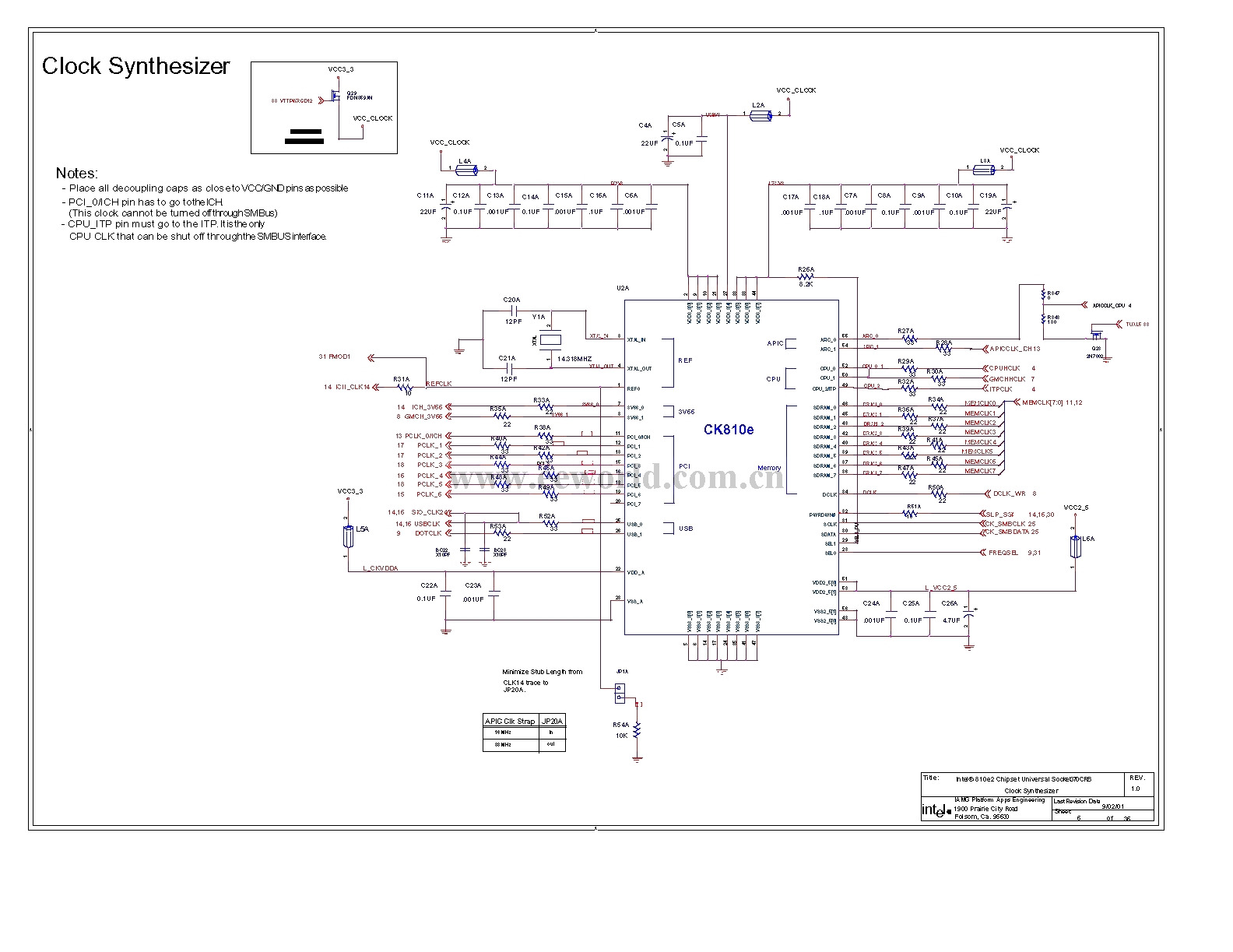
Published:2011/10/26 1:43:00 Author:Ecco | Keyword: computer motherboard | From:SeekIC

Reprinted Url Of This Article:
http://www.seekic.com/circuit_diagram/Computer-Related_Circuit/810_computer_motherboard_circuit_diagram_06.html
Print this Page | Comments | Reading(3)
Code: