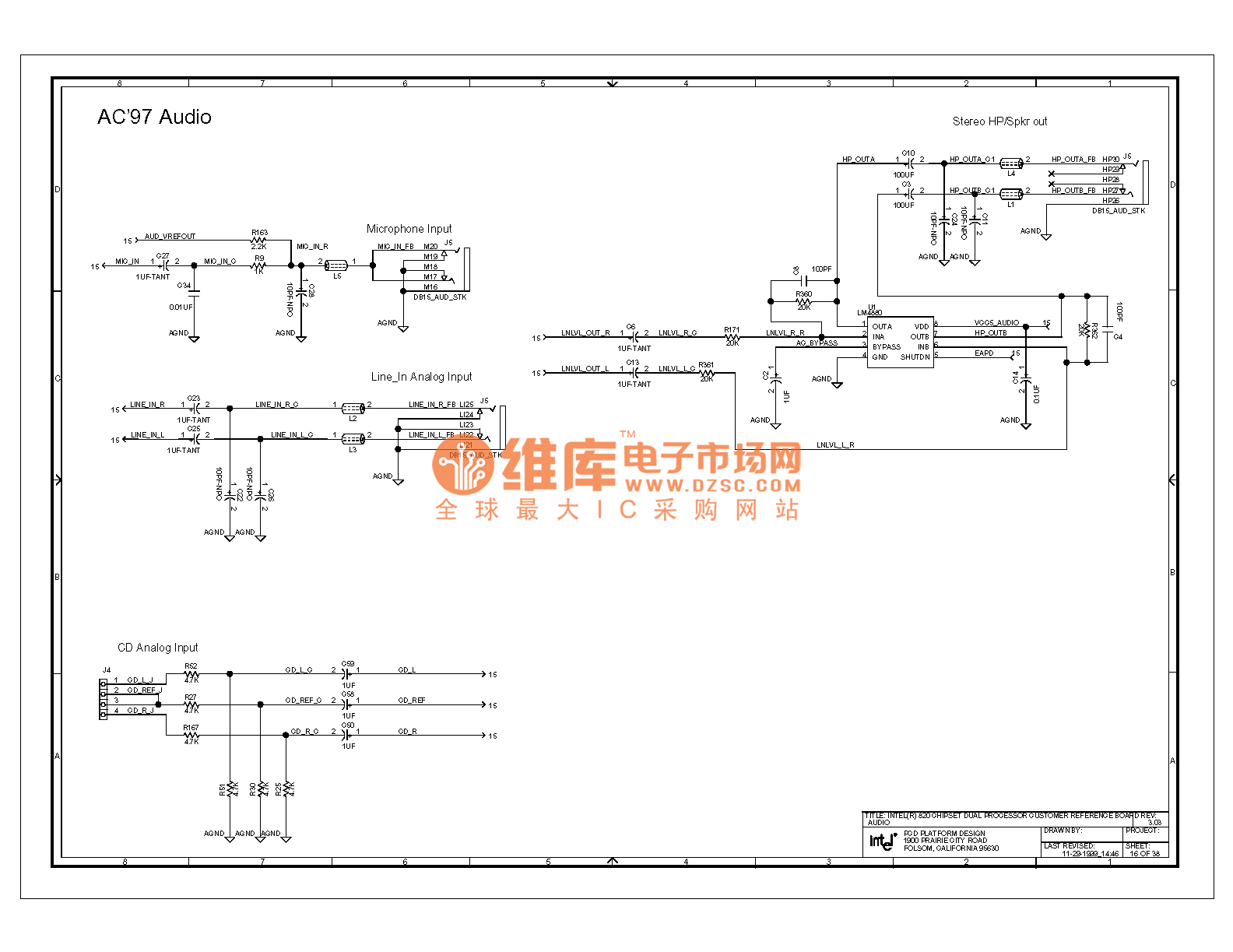
Published:2011/10/24 19:57:00 Author:Ecco | Keyword: computer motherboard | From:SeekIC

Reprinted Url Of This Article:
http://www.seekic.com/circuit_diagram/Computer-Related_Circuit/820e_computer_motherboard_circuit_diagram_56.html
Print this Page | Comments | Reading(3)
Code: