Published:2009/7/21 21:24:00 Author:Jessie | From:SeekIC

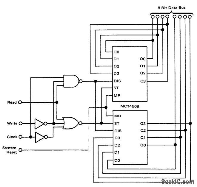
8-bit storage register (courtesy Motorola Semiconductor Products Inc.).
Reprinted Url Of This Article:
http://www.seekic.com/circuit_diagram/Computer-Related_Circuit/8_bit_storage_register.html
Print this Page | Comments | Reading(3)
Code: