Published:2009/6/30 22:50:00 Author:May | From:SeekIC


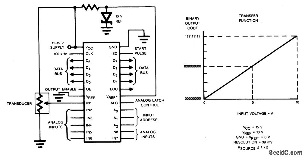
Charge redistribution to achieve A/D conversion. In typical applications, as a ratiometric conversion system for a microprocessor,VREF- will be connected to ground and VREF,+will be connected to VCC. The output will then be a simple proportional ratio between analog input voltage and VCC. The general relationship is:
Where DOUT=Digital Output VIN=Analog Input VREF=Positive Reference Potential VREF= Negative Reference Potential
Reprinted Url Of This Article:
http://www.seekic.com/circuit_diagram/Computer-Related_Circuit/CMOS_DATA_ACQUISITION_SYSTEM.html
Print this Page | Comments | Reading(3)
Code: