Published:2009/7/21 8:43:00 Author:Jessie | From:SeekIC



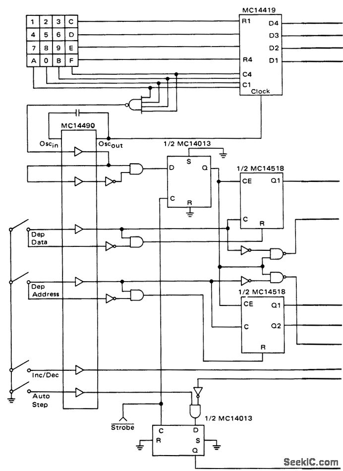
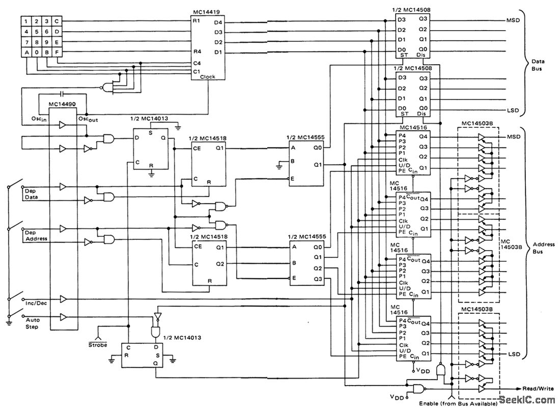
CMOS keyboard data entry system (courtesy Motorola Semiconductor Products Inc.).
Reprinted Url Of This Article:
http://www.seekic.com/circuit_diagram/Computer-Related_Circuit/CMOS__keyboard_data_entry_system.html
Print this Page | Comments | Reading(3)
Code: