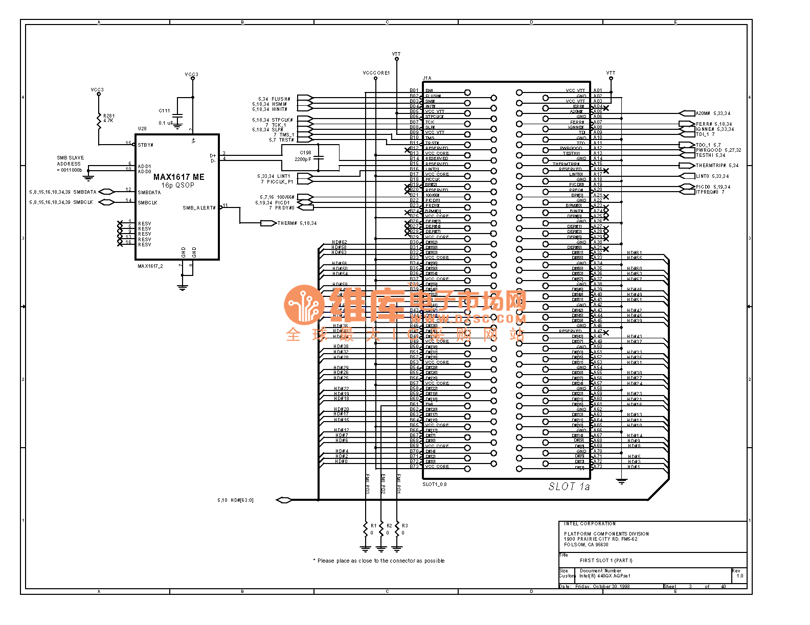
Published:2011/6/26 21:19:00 Author:zj | Keyword: Computer Mainboard, 440GX_03 | From:SeekIC

Reprinted Url Of This Article:
http://www.seekic.com/circuit_diagram/Computer-Related_Circuit/Computer_Mainboard_Circuit_440GX_03.html
Print this Page | Comments | Reading(3)
Code: