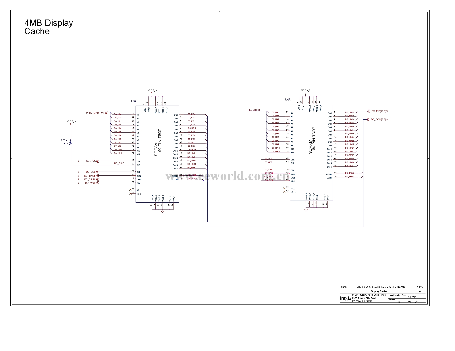
Published:2011/7/27 1:11:00 Author:Ecco | Keyword: Computer motherboard | From:SeekIC

Reprinted Url Of This Article:
http://www.seekic.com/circuit_diagram/Computer-Related_Circuit/Computer_motherboard_circuit_810_2_10.html
Print this Page | Comments | Reading(3)
Code: