Published:2009/7/21 8:32:00 Author:Jessie | From:SeekIC

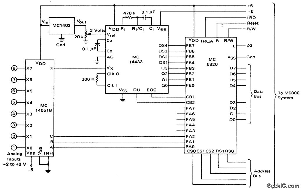
Eight-channel data acquisition circuit for the M6800 (courtesy Motorola Semiconductor Products Inc.).
Reprinted Url Of This Article:
http://www.seekic.com/circuit_diagram/Computer-Related_Circuit/Eight_channel_data_acquisition_circuit_for_the_M6800.html
Print this Page | Comments | Reading(3)
Code: