Published:2011/6/21 0:21:00 Author:John | Keyword: sunroof | From:SeekIC

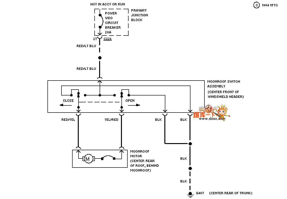
Mazda 94THUNDERBIRD sunroof circuit is shown.
Reprinted Url Of This Article:
http://www.seekic.com/circuit_diagram/Computer-Related_Circuit/Mazda_94THUNDERBIRD_sunroof_circuit.html
Print this Page | Comments | Reading(3)
Code: