Published:2011/4/28 1:42:00 Author:Ecco | Keyword: Fan , single chip, microcomputer , integrated circuit | From:SeekIC


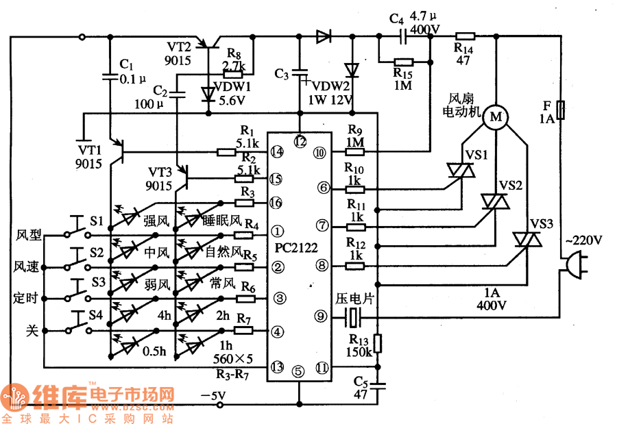
PC2122 is the fan single chip microcomputer integrated circuit produced by Philips, it is suitable for fans and small appliances for speed or transfer function.PC2122 IC uses 16-pin dual in-line package, the pin functions and data are listed in Table, the typical application circuit is shown as the chart. PC2122 IC pin functions and data.
Thetypical application circuit of PC2122 integrated circuit.
Reprinted Url Of This Article:
http://www.seekic.com/circuit_diagram/Computer-Related_Circuit/PC2122_Fan_single_chip_microcomputer_integrated_circuit_diagram.html
Print this Page | Comments | Reading(3)
Code: