Published:2011/5/5 20:59:00 Author:Ecco | Keyword: Single-chip , microcomputer , integrated circuit | From:SeekIC

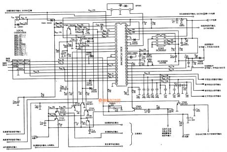
PCA84C-440/441 is the single-chip microcomputer integrated circuit produced by Philips company, it is widely used in domestic and imported large screen color TV, such as Philips and other color television.1. The internal block circuit diagram and pin functions PCA84C-440/441 IC uses 42-pin dual in-line package, the internal block circuit diagram and pin functions are shown as the chart. The internal block circuit diagram of PCA84C-440/441 integrated circuit and pin functions and signal flowing2. The typical application circuit The control system typical application circuit composed of PCA84C-440/441 integrated circuit is shown as the chart. The typical application circuit of PCA84C-440/441 integrated circuit 3.PCA84C-440/441 operating parameters The each pins operating parameters of PCA84C-440/441 integrated circuit are listed in Table. The operating parameters of PCA84C-440/441 integrated circuit
Reprinted Url Of This Article:
http://www.seekic.com/circuit_diagram/Computer-Related_Circuit/PCA84C_440_441_Single_chip_microcomputer_integrated_circuit_diagram.html
Print this Page | Comments | Reading(3)
Code: