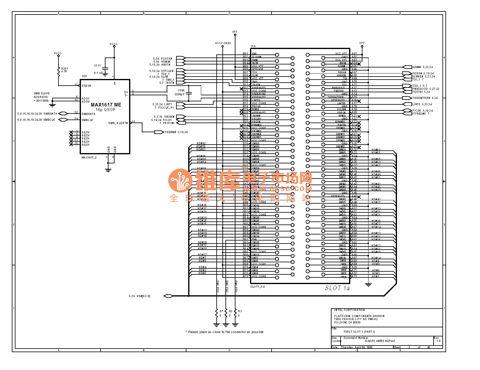
Published:2011/6/30 22:09:00 Author:zj | Keyword: PC mainboard, 440BX-03 | From:SeekIC

Reprinted Url Of This Article:
http://www.seekic.com/circuit_diagram/Computer-Related_Circuit/PC_mainboard_circuit_440BX_03.html
Print this Page | Comments | Reading(3)
Code: