Published:2011/5/9 3:38:00 Author:Ecco | Keyword: fan , monolithic, microcomputer , integrated circuit | From:SeekIC


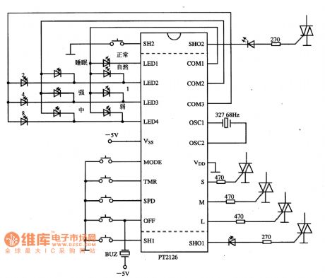
PT2126 is the fan monolithic microcomputer integrated circuit, which is widely used in a variety of program-controlled system in fans. PT2126 IC has many pin count packages which is according to a variety of different suffixes, the corresponding relationship between pins and the pin functions are listed in Table, the typical application circuit is shown as the chart.
Reprinted Url Of This Article:
http://www.seekic.com/circuit_diagram/Computer-Related_Circuit/PT2126_fan_monolithic_microcomputer_integrated_circuit_diagram.html
Print this Page | Comments | Reading(3)
Code: