Published:2011/5/9 3:22:00 Author:Ecco | Keyword: fan , monolithic , microcomputer, integrated circuit | From:SeekIC


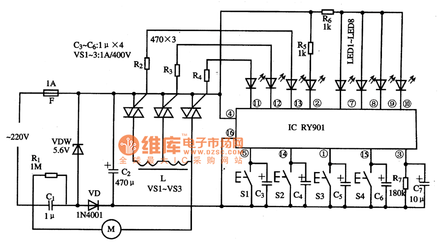
RY901 is the fan monolithic microcomputer integrated circuit, which is widely used in processing control fan circuit. KY901 IC uses 16-pin dual in-line plastic package, the pin functions and data are listed in Table, the typical application circuit is shown as the chart.
Reprinted Url Of This Article:
http://www.seekic.com/circuit_diagram/Computer-Related_Circuit/RY901_fan_monolithic_microcomputer_integrated_circuit_diagram.html
Print this Page | Comments | Reading(3)
Code: