Published:2009/7/11 5:16:00 Author:May | From:SeekIC

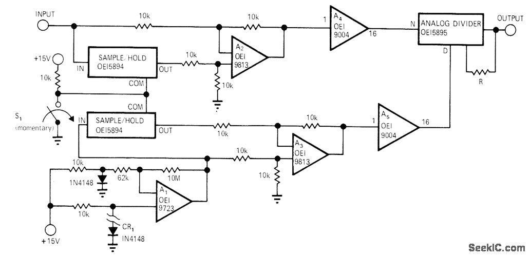
Circuit automatically measures and calculates temperature coefficients of analog circuits or devices. Silicon diode CR1 is used as temperature probe having forward drop of about 2 mV/ ℃. R adjusts output scale factor, FET-input opamp A1 converts forward voltage drop of temperature probe into high-level analog voltage that varies 325 mV/℃ from -10V at +55℃ to 10 V at -5℃. Output of A1 is applied to sample-and-hold circuit, while analog voltage from device under test is applied to second sample-and-hold. Momentary closing of S1 causes volt-age and temperature data to be stored in sample-and-hold circuits at start of test to bias a2 and A3. Outputs of these opamps can be positive or negative, butare made poshive by unity-gain absolute-value opamps A4 and A5. From these outputs, analog divider calculates temperature coefficient.-R. C. Gerdes, Temperature-Coefficient Measuring Circuit, EDN/EEE Magazine, Feb. 1, 1972, p 54.
Reprinted Url Of This Article:
http://www.seekic.com/circuit_diagram/Computer-Related_Circuit/TEMPERATURE_COEFFICI_ENT_COMPUTER.html
Print this Page | Comments | Reading(3)
Code: