Published:2009/7/14 22:31:00 Author:Jessie | From:SeekIC

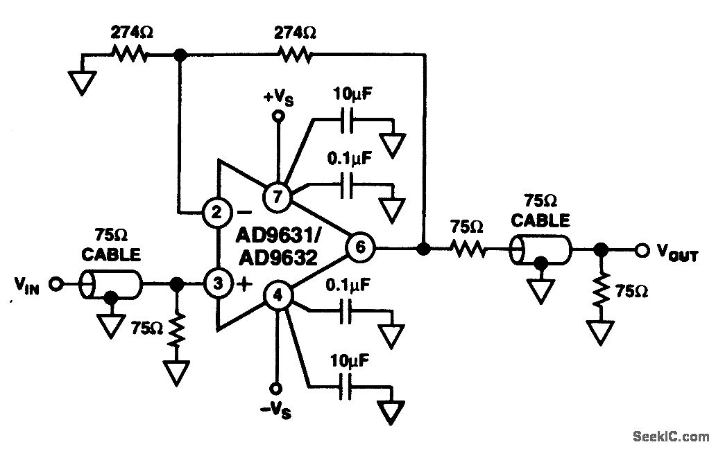
This line driven uses an Analog Devices P/N AD9631/9632 and has a bandwidth of better than 150 MHz
Reprinted Url Of This Article:
http://www.seekic.com/circuit_diagram/Control_Circuit/150_MHZ_VIDEO_LINE_DRIVER.html
Print this Page | Comments | Reading(3)
Code: