Published:2009/7/20 1:39:00 Author:Jessie | From:SeekIC

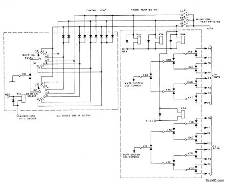
Developed for use with mobile transceiver mounted in trunk of car, to give full independent selection of eight transmit and eight receive frequencies with only three wires running to control head on dash. System involves converting 8-position switch selection in control head to 3-bit binary form for control wires, then decoding with relays. Miniature SPST relay in control head is operated by normal push-to-talk circuit to change channel selector switch when transmitting.-G. D. Rose, Independent 8-Channel Frequency Selection with Only Three Wires, QST, Aug.1974, p 36-40.
Reprinted Url Of This Article:
http://www.seekic.com/circuit_diagram/Control_Circuit/16_CHOICESWITH_3_WIRES.html
Print this Page | Comments | Reading(3)
Code: