Published:2009/7/20 5:09:00 Author:Jessie | From:SeekIC

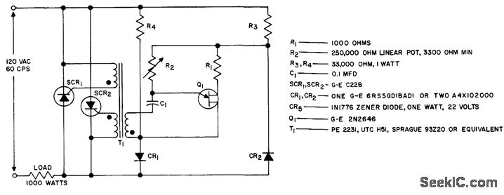
Inverse-parallel circuit is economical for manual control of lights, heaters, ovens, or fans.- Silicon Controlled Rectifier Manual, Third Edition, General Electric Co., 1964, p 138.
Reprinted Url Of This Article:
http://www.seekic.com/circuit_diagram/Control_Circuit/1_KW_A_C_PHASE_CONTROL.html
Print this Page | Comments | Reading(3)
Code: