Published:2012/10/18 22:52:00 Author:muriel | Keyword: 1 Second Time, Crystal Oscillator | From:SeekIC

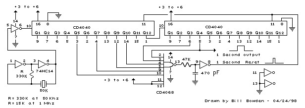
At 1 Mhz, the 330K resistor in the oscillator circuit will need to be reduced proportionally to about 15K. When the terminal count is reached, a 7 uS reset pulse is generated by the Schmitt Trigger inverter stage that follows the NAND gate. The 47K resistor and 470 picofarad capacitor sustain the output so that the counters are reliably reset to zero. This is less than one clock cycle at 50Khz and does not introduce an error but would amount to 7 cycles at 1 MHz which would cause the counters to lose 7 microseconds of time per second. It's not much of an error (7 parts in a million) but it would be there. The minimum reset pulse width for the 4040 CMOS counters is about 1.5 uS, so the reset pulse cannot be made much shorter.
Reprinted Url Of This Article:
http://www.seekic.com/circuit_diagram/Control_Circuit/1_Second_Time_Base_From_Crystal_Oscillator.html
Print this Page | Comments | Reading(3)
Code: